Changzhou World Expo Electric Co., Ltd.
HOME
ABOUT
PRODUCT
CASE
NEWS
CONTACT
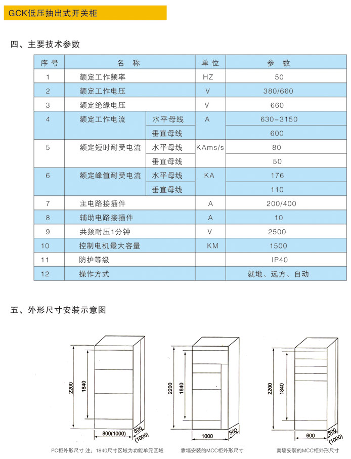
GCK低压抽出式开关柜
公司主要产品为石英晶体谐振器,,,,其中焦点产品为种种型号的音叉晶体谐振器(含DIP、SMD)和SMD高频晶体谐振器。。。
追求品质与生涯,,,,致力于为用户提供更好的产品与效劳
手机:13815052727
邮箱:593899597@qq.com
地点:常州市新北区春江镇新华村胜利路1号
微信扫码
加挚友咨询
CopyRight ? 2021 版权所有:国际浩博vinbet All Rights Reserved 备案号:苏ICP备2021018867号-1 【免责声明】
苏公网安备 32041102000834号